高级搜索

留言板

尊敬的读者、作者、审稿人, 关于本刊的投稿、审稿、编辑和出版的任何问题, 您可以本页添加留言。我们将尽快给您答复。谢谢您的支持!

姓名
邮箱
手机号码
标题
留言内容
验证码

2020年  第38卷  第6期

目次
沉积学报 第38卷 第6期
2020, 38(6).
摘要:
沉积与沉积矿产
华北克拉通南缘中—新元古界沉积充填特征及演化
吕奇奇, 罗顺社, 官玉龙, 汪泽成, 王铜山, 张严
2020, 38(6): 1123-1139. doi: 10.14027/j.issn.1000-0550.2020.012
摘要:
华北克拉通南缘中—新元古代地层广泛发育、出露较好。以华北克拉通南缘熊耳裂陷槽中—新元古代地层为研究对象,在总结对比前人研究成果的基础上,以4条典型基干剖面实测、3条重点辅助剖面观察与描述,从岩石颜色、岩石组合类型、岩石结构、沉积构造等众多方面,对华北克拉通南缘中—新元古界的沉积相类型、特征、展布规律以及沉积充填序列进行了深入分析。结果表明:1)研究区中—新元古界发育障壁型海岸相、无障壁型海岸相、浅海陆棚相、碳酸盐岩台地相、扇三角洲相及冰川相6种沉积相、10种亚相及15种微相;并详细阐述了各种相、亚相以及微相的沉积特征;2)明确了研究区中—新元古代在不同地质时期发育的主要沉积相类型及特征;3)深入探讨了研究区中—新元古界的沉积充填特征,并将其划分出大陆裂谷早期沉积(熊耳群)、大陆裂谷晚期沉积(小沟背组—云梦山组)、中元古代被动大陆边缘沉积(白草坪组—黄连垛组)和新元古代被动大陆边缘沉积(董家组—东坡组)等4个沉积充填序列。
华南地区南沱冰期海洋氧化还原环境研究—来自贵州松桃南沱组白云岩稀土元素地球化学的指示
赵思凡, 顾尚义, 沈洪娟, 吴忠银, 冯永
2020, 38(6): 1140-1151. doi: 10.14027/j.issn.1000-0550.2019.115
摘要:
新元古代晚期地球经历了两次“雪球地球”事件,对冰期后埃迪卡拉纪的海洋氧化和多细胞生物的多样化产生了重大影响。然而由于冰期化学沉积岩的缺乏,迄今为止对南沱冰期海洋氧化还原条件了解不多。碳酸盐岩稀土元素地球化学特征能有效地反映其形成时的环境条件,已广泛用于恢复地质历史时期古环境条件。在贵州省松桃地区发现了一套南沱组自生沉积的碳酸盐岩,为探讨华南地区南沱冰期海洋古环境提供了理想的地质材料。该白云岩产于南沱组下部,厚约1.6 m,夹于两套冰碛砾岩中间。采用微钻技术钻取白云岩粉末,稀醋酸溶样,利用等离子体质谱仪(ICP⁃MS)进行稀土和其他微量元素分析。分析结果显示稀土元素含量较高,ΣREE为(23.0~46.6)×10-6,PAAS标准化后稀土元素显示Ce的弱负异常或无异常(平均值0.90),可变的Eu和La异常,中稀土富集,Y/Ho比值平均为34.6。白云岩稀土配分特征与现代氧化的海水明显不同,结合样品中高的Fe、Mn含量特征,反映了南沱冰期华南地区表层海水整体处于缺氧富铁的环境,可能制约了冰期后的海洋氧化和多细胞真核生物的演化。
咸化湖盆高频湖平面升降特征及地质意义—以柴达木盆地英西地区下干柴沟组上段为例
乔艳萍, 谭秀成, 刘耘, 熊鹰, 伍坤宇, 张永庶, 杨勃, 任灵
2020, 38(6): 1152-1165. doi: 10.14027/j.issn.1000-0550.2019.113
摘要:
以柴达木盆地英西地区下干柴沟组上段(E32)为例,基于钻井岩芯、测录井和配套分析等资料发现,英西地区下干柴沟组上段(E32)整体为干旱、咸化背景下的湖相混合沉积,但内部岩石组分和结构产状变化频繁,表现为周期性垂向叠置的湖平面升降沉积旋回。旋回界面以层状岩盐、含膏斑块状灰质云岩、块状砂岩等顶部的岩性转换面或局部存在的暴露侵蚀面为典型标志。单个旋回多表现为短暂湖侵—持续湖退的向上变浅和咸化沉积序列,构成薄层状/块状灰质云岩—含膏斑块状灰质云岩、薄层状/块状灰质云岩—含膏斑块状灰质云岩—层状岩盐、薄层状/块状灰质云岩—块状砂岩等旋回结构类型。不同沉积旋回在空间的叠置组合受湖盆水动力能量、湖水盐度及古气候频繁波动的共同控制。通过旋回对比,利用井间旋回厚度差异近似反映相对古地貌起伏,研究区整体具有西高东低的古地貌格局,盆内则为低起伏的凹隆相间特征,自下而上各井区间的旋回厚度和地貌差异逐渐减小,反映湖盆填平补齐、逐渐咸化萎缩的演变规律。
MIS5b以来西樵山主量地球化学元素记录的D/O旋回与古生物实证
牛东风, 李保生, 舒培仙, 司月君, 温小浩, 朱丽东, 王丰年, 李志文
2020, 38(6): 1166-1178. doi: 10.14027/j.issn.1000-0550.2020.001
摘要:
位于中国南亚热带的西樵剖面主要是一套大约MIS5b以来形成的湖沼相。根据对该剖面759个主要元素氧化物SiO2、Al2O3和TOFE(Fe2O3+ FeO)含量分析结果并以Al2O3/SiO2比值作为考察“脱硅富铝”的气候代用指标,将西樵剖面MIS5b以来的主要元素波动划分出34.5个元素旋回“CY0—CY34”(其中CY0属于0.5个旋回),其平均变率—3.1 ka/旋回为千年尺度级别。通过对这些元素与气候的关系和古生物(孢粉和哺乳动物化石)指示的古生态的论证,认为气候旋回与这些元素旋回存在内在的因果关系,进而提出MIS5b以来该地曾发生过34.5个时期的寒冷与温暖即东亚冬季风与夏季风交替变化的千年尺度的气候旋回。研究表明,MIS5b以来这些旋回中的若干阶段与北半球高纬地区D/O事件存在很好的“遥相关”,即在时间—气候性质上的变化节奏基本一致。这是首次在中国的南亚热带发现的MIS5b以来高分辨率的元素/气候波动,其意义在于它展现了自那时以来一个比较完整的D/O气候旋回在东亚大陆更南部区域的存在。表明,这个时代东亚季风旋回的发生、发展和演化,除了北半球冰量变化幅度的影响外,西太平洋暖池(温度与消长幅度)亦对其产生过重要的影响,其中夏季风时期对低纬地区的影响更加强烈。
沉积植物古DNA技术在古植被重建中的应用
马瑞丰, 张威, 刘亮, 杨蝉玉
2020, 38(6): 1179-1191. doi: 10.14027/j.issn.1000-0550.2019.121
摘要:
近些年基因测序技术的大量应用为沉积物中植物古DNA的分析提供了技术支撑,将古植被重建的技术发展到了分子层面。国内外相关研究表明,来源于沉积体系中的沉积植物古DNA(Sediment plant ancient DNA, aDNA)可作为古植被重建的有效工具。从技术基础理论、文献计量统计、发展应用及实验操作几个方面对沉积植物aDNA技术进行了全面的介绍。沉积aDNA技术在植物群落分析上是一个新的补充方法,它可以提供更高的分辨率以及更精确的丰度估算,然而在实验体系及数据库方面还需要不断完善成熟,其在未来将成为古植被重建重要的辅助技术手段。
现代沉积与环境
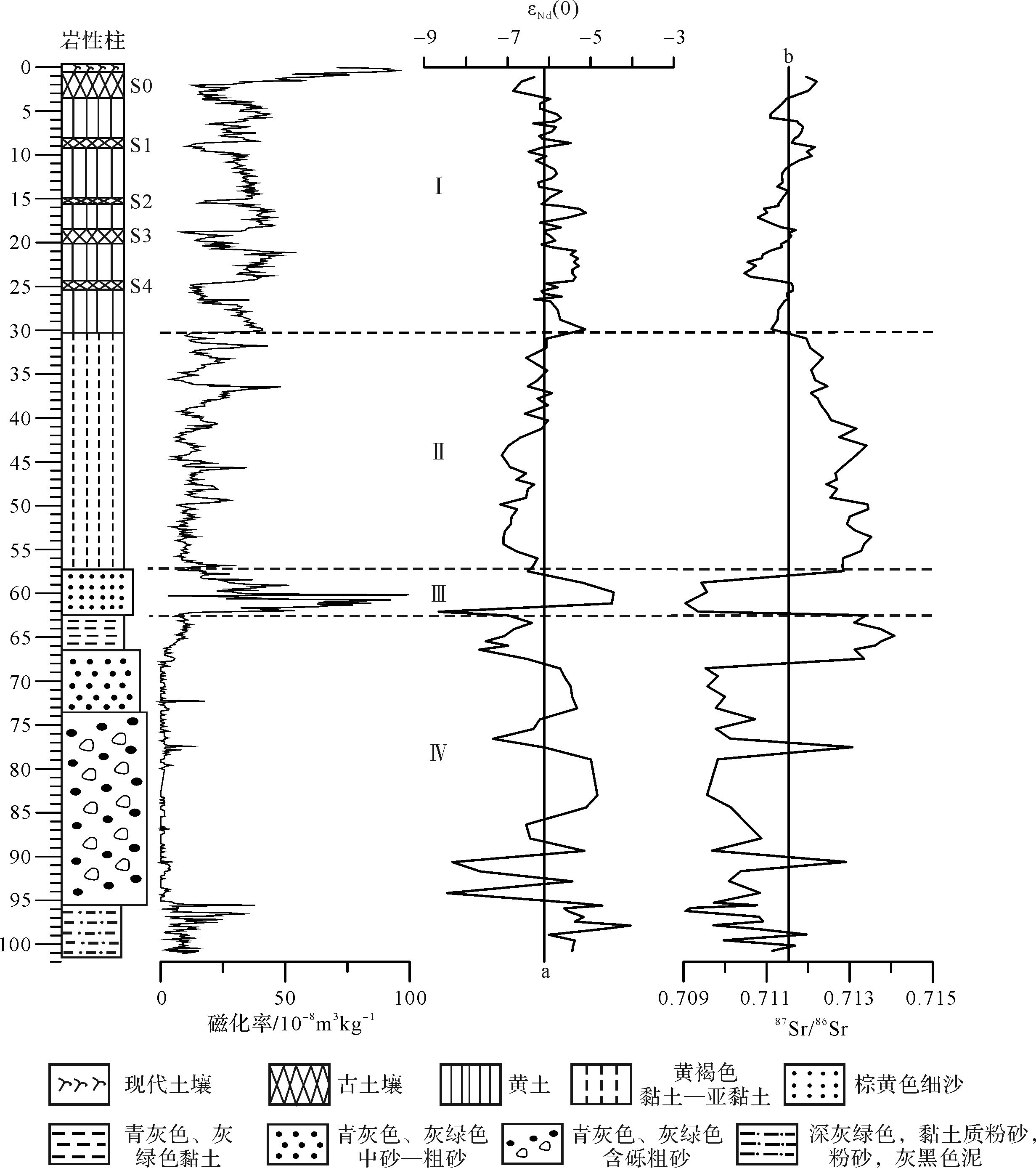
早更新世松花江水系反转—来自荒山岩芯Sr⁃Nd同位素特征指示
魏振宇, 谢远云, 康春国, 迟云平, 吴鹏, 王嘉新, 张曼, 张月馨, 刘璐
2020, 38(6): 1192-1203. doi: 10.14027/j.issn.1000-0550.2019.112
摘要:
水系重建对于理解全球变化和区域响应至关重要。松花江水系演化研究极为薄弱,尤其对第四纪早期松花江水系是否发生倒转一直存在争议,且无明确证据。河流沉积物是水系演化最直观的证据。为此,选择哈尔滨荒山(HS)钻孔岩芯沉积物作为研究对象,对其进行了磁化率、古地磁和Sr⁃Nd同位素组成分析。结果表明,岩芯62.3 m(0.94 Ma B.P.)深度上、下地层的磁化率和Sr⁃Nd同位素特征存在较大差异。62.3 m以下地层磁化率极低,多次出现0值,且变幅较小。Sr⁃Nd同位素组成与依兰方向现代水系的Nd同位素特征相近;然而62.3 m以上地层磁化率急剧增大,并呈现周期性的高低变化。Sr⁃Nd同位素组成小幅度变化,表现出与松原方向现代水系相近的Nd同位素特征。表明了早更新世晚期松花江中上游(肇源—依兰河段)水系流向曾发生反转。早更新世早—中期,松花江中上游与下游尚未贯通。以佳依(佳木斯—依兰)分水岭为界,松花江下游向东流经三江平原,而松花江中上游向西流入松嫩湖盆;早更新世晚期,由于构造—气候变化的共同作用,佳依分水岭不断抬升,而三江平原和松嫩平原持续下降,导致分水岭两侧河流向源侵蚀,在0.94 Ma B.P.,佳依分水岭被切穿,松花江中上游水系被下游水系所袭夺,流向开始倒转,中上游与下游贯通,现代松花江水系逐渐建立。
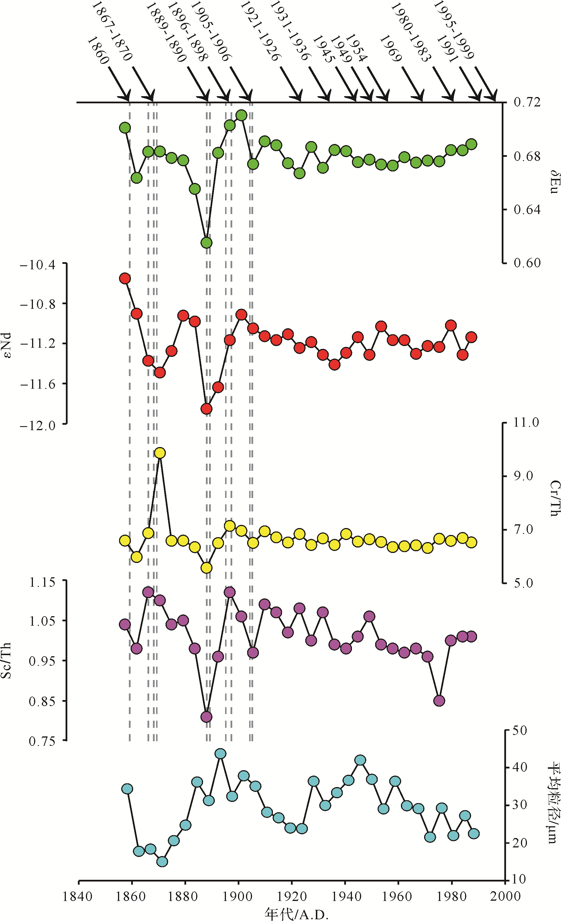
崇明岛H12孔百年来长江入海沉积物来源变化及原因
段知非, 李超, 毕磊, 何中发, 李芳亮, 杨守业
2020, 38(6): 1204-1214. doi: 10.14027/j.issn.1000-0550.2020.002
摘要:
地质历史时期长江入海沉积物的来源和组成特征是探讨东亚边缘海地区沉积物“从源到汇”过程的核心问题之一。崇明岛H12钻孔沉积物元素与同位素地球化学分析揭示,Nd同位素、Eu异常、Cr/Th、Sc/Th等指标在1858—1906年间明显波动,波动的年份与文献记载的洪水事件发生时间基本一致;而在1906年之后沉积物中以上各地球化学指标趋于稳定。结合长江不同支流的沉积地球化学组成特征,运用物源混合模型进行判别,结果显示过去150年来长江入海沉积物主要来自上游支流及汉江,不同支流的洪水信号可以通过入海沉积物通量和化学组成来提取。20世纪以来H12钻孔沉积的各物源指标波动明显减小,推测与崇明岛当地的人类活动逐渐增强有关,防护堤、海塘等工程修建改变了长江入海沉积物在崇明岛的沉积方式,使得洪水时期沉积物无法在岛上淤积,因而钻孔记录中很难再发现洪水事件信号,沉积地球化学物源指标趋于稳定。
长江水下三角洲沉积物磁性特征空间差异及其冲淤指示意义
成沁梓, 王峰, 陈锦, 葛灿, 赵旋琪, 陈莹璐, 年小美, 张卫国, 陈中原, Kam⁃biuLIU
2020, 38(6): 1215-1225. doi: 10.14027/j.issn.1000-0550.2019.119
摘要:
三角洲冲淤具有空间异质性,而沉积物的磁性特征可灵敏地反映物源、沉积动力特征以及早期成岩作用影响,是揭示空间异质性的有效方法。选取长江水下三角洲20~35 m水深的四个约2 m长的柱样进行磁学和碳、硫地球化学分析,结合粒度及年代资料,探讨了长江水下三角洲沉积物柱样磁性特征空间差异及其冲淤指示意义。研究结果显示,粒度表征的动力分选影响沉积物的磁性特征,这在年代较新(<350 a)的柱样中表现尤为明显,即细颗粒沉积物中富集亚铁磁性矿物,从而具有较高的磁化率。铁、碳、硫及硫同位素特征揭示了长江水下三角洲沉积物较弱的硫酸盐还原特征。沉积物年龄及沉积速率影响沉积物成岩改造强度,进而导致了磁性特征垂向变化的空间差异,整体上看,远离现代沉积中心的柱样,成岩改造特征更为明显。磁化率值的大小、成岩分带的完整性及其反映的铁还原带和硫酸盐还原带转换深度,一定程度上可以揭示三角洲的淤积和侵蚀特征。
不同选择性提取方法锶钡比的海陆相沉积环境判别探讨—以现代黄河三角洲为例
王爱华, 叶思源, 刘建坤, 丁喜桂, 李华玲, 许乃岑
2020, 38(6): 1226-1238. doi: 10.14027/j.issn.1000-0550.2019.118
摘要:
锶钡比是常用的海陆相沉积环境判别手段之一,黄河三角洲钻孔沉积物的传统全量锶钡比介于0.45±0.5之间,无法判别其海陆相沉积环境。黄河三角洲钻孔样品的选择性提取结果表明,全样的总量钡和锶中的75%以上的钡和50%以上的锶赋存于与沉积时的海陆相地球化学环境无关的陆源碎屑矿物中,在判别海陆相沉积环境时是应该剔除的。不同选择性提取方法的分析结果表明,黄河三角洲沉积物中的锶除碎屑硅酸盐矿物态外,主要呈现可交换态和碳酸态,赋存形态比较单一;而钡除了碎屑硅酸盐矿物态外其赋存形态复杂。以提取可交换态为主的醋酸钠法和醋酸铵法、以提取可交换态和碳酸盐态为主的柠檬酸法和稀盐酸法及络合剂+稀盐酸法所提取的锶钡比,均能较好地区分黄河三角洲的海陆相沉积环境。来自黄土的黄河三角洲物源的高碳酸钙和醋酸不能提取重晶石中钡的双重特殊性,导致黄河三角洲沉积物稀醋酸法提取的结果具有高锶低钡的特征并造成锶钡比偏高,尽管其锶钡比都大于1.0,但其对沉积时盐度环境的响应灵敏度大于其他选择性提取方法。选择性提取方法是解决目前传统的全样总量锶钡比海陆相沉积环境判别效果不佳问题的唯一有效手段。
黄河上游官亭盆地古洪积扇前沿全新世地层序列研究
刘璐, 庞奖励, 黄春长, 周亚利, 周强, 胡迎, 张玉柱, 郭永强, 陈莹璐, 戎晓庆, 尚瑞清
2020, 38(6): 1239-1248. doi: 10.14027/j.issn.1000-0550.2020.009
摘要:
青海官亭盆地喇家遗址史前巨大灾难事件,是我国史前环境变化与文明演变研究领域的热点之一。通过对官亭盆地喇家遗址北侧大红山前古洪积扇前沿地带的野外考察,进行土壤沉积物地层划分、结合理化指标测试分析,发现该地带土壤与沉积物的基本层序,自下而上依次为晚更新世马兰黄土(L1)—全新世早期过渡性风成黄土(Lt)—全新世中期古土壤(S0)—全新世晚期风成黄土(L0)—现代耕作土壤(MS)。这个层序特点与黄河北岸第二级阶地喇家遗址区域相同,也与黄土高原地区全新世土壤沉积物的层序相同。在全新世中期黑垆土古土壤(S0)中夹有三层红色泥流沉积层(RC1、RC2、RC3),是全新世中期后段气候恶化条件之下,暴雨山洪泥流溢出沟槽在地面扩散沉积形成。该地带以RC1为代表第一期山洪泥流事件早于喇家遗址毁灭的年代。以RC2为代表的第二期山洪泥流层卷入密集的木炭屑和杂物,表明在山洪泥流发生的时候有火灾发生,这对应着3 850 a B.P.毁灭喇家遗址的大地震和山洪泥流群发生灾难事件。以RC3为代表的第三期山洪泥流事件,与喇家遗址区域相同发生在3 600 a B.P.。其后在古洪积扇前沿到黄河第二级阶地的范围,再没有发生山洪泥流溢出沟槽扩散覆盖土地并且毁灭聚落成灾的现象。在喇家遗址北侧古洪积扇区域建立了全新世土壤地层序列,分析了该地带山洪泥流与喇家遗址灾难事件的联系。这对于研究揭示史前时期以来官亭盆地人地关系演变具有科学意义。
埃及Burullus潟湖沉积生源要素变化:百年来人类活动影响
麻福伟, 李茂田, 刘演, 赵小双, 陈中原, SalemAlaa, ShamaA.MAbu, ElhossainyMohamed M.
2020, 38(6): 1249-1257. doi: 10.14027/j.issn.1000-0550.2019.106
摘要:
Burullus是尼罗河河口高封闭性潟湖,其生源要素主要来源于尼罗河,是研究Aswan大坝建成以来流域变化如何影响河口湖泊环境的最佳区域。研究通过对Burullus潟湖B1岩芯的210Pb测年、粒度、以及TOC、TN、TP、BSi生源要素的测试分析,结合历史资料,试图揭示Aswan建坝前后河口湖泊营养盐的差异变化,以及这些变化对生态环境的影响。结果表明:1)沉积物中TOC、TN和TP含量自下而上总体增加,表明尽管Aswan大坝导致营养盐通量急剧减少,但由于下游人类排放N、P通量大大增加,导致下游湖泊N、P浓度并没减少;且沉积TN/TP均小于16,表明湖泊仍为P限制。2)但BSi和BSi/ TOC自下而上总体呈减少趋势,表明Aswan大坝引起的水沙减少导致湖泊中硅藻的生物量及其总初级生产力占比都在减少,潟湖水体生态环境将趋于恶化。
油气地质、地球化学
鄂尔多斯盆地西北缘晚三叠世早期物源组成—来自碎屑锆石U⁃Pb年龄的指示
雷琳琳, 赵红格, 邵晓州, 徐智, 郭惠, 李亚男, 付星辉, 李蒙
2020, 38(6): 1258-1271. doi: 10.14027/j.issn.1000-0550.2019.105
摘要:
利用碎屑锆石LA⁃ICP⁃MS U⁃Pb测年方法,对鄂尔多斯盆地西缘北部贺兰山炭井沟、插旗沟和中部磁窑堡3个地区晚三叠世早期的物源进行分析。结果表明:研究区部分碎屑锆石阴极发光(CL)图像具有环带结构,大部分锆石Th/U值大于0.4,极少部分小于0.1,表明锆石来源以岩浆为主,变质为次。3个地区锆石年龄分布均有三组年龄峰值:古元古代早期—新太古代(2 204.3~2 610.1 Ma)、古元古代(1 667~2 171.8 Ma)和晚古生代(245.1~322.6 Ma),这3组年龄分别与新太古代末华北克拉通化的基本完成、古元古代晚期华北克拉通三大陆块(阴山陆块、鄂尔多斯陆块和东部陆块)之间的相互碰撞拼合以及晚古生代古亚洲洋向华北板块俯冲而形成的构造岩浆事件相对应。结合锆石年龄对比和岩相古地理分析得知,鄂尔多斯盆地西北缘晚三叠世早期物源来自北部和西北部地区,主要为古元古代孔兹岩带和阿拉善地块的变质岩和岩浆岩,其次为华北板块西部基底的岩浆岩和阿拉善地块海西期的岩浆岩。
墨西哥湾西北部古近纪早期(62~48 Ma)源汇体系与沉积格局变迁
侯云超, 樊太亮, 王宏语, 李一凡, 黄兴文, 龙盛芳
2020, 38(6): 1272-1283. doi: 10.14027/j.issn.1000-0550.2019.114
摘要:
受埋深和复杂盐构造影响,深水Wilcox沉积研究难度大,开展大尺度源汇体系分析对理解墨西哥湾Wilcox沉积格局具有实际意义。通过对古科罗拉多(简称C)水系与古格兰德河(简称RG)水系相关研究成果的系统梳理,结合地震、钻井、岩芯与岩矿等资料,分析了墨西哥湾西北部深水沉积格局的演变特征及其储层意义。C水系和RG水系形成两个不同的源汇系统,源汇系统构成要素之间既有联系,也存在明显差异,物源区和搬运区各要素的时空变化决定了两大水系沉积物供给能力和深水沉积格局的变迁。古新世Wilcox沉积期,C水系沉积物供给强,在浅水陆架和深水盆地形成大规模三角洲和富砂海底扇体系,墨西哥湾西部Perdido带主要受该物源控制。始新世Wilcox沉积期,C水系物源供给减弱,海底扇规模减小,扇体轴部向东迁移,而RG水系沉积物供给增强,在陆架区形成高砂地比的三角洲体系,砂质沉积物进一步越过陆架形成西部海底扇,Perdido带浊积砂岩主要受该物源控制。广泛发育的浊积砂岩储层表明墨西哥海域Perdido带始新世Wilcox组具有较大的勘探潜力。
川东北地区下寒武统龙王庙组白云岩成因分析
余晶洁, 宋金民, 刘树根, 杨迪, 王瀚, 赵聪, 邓双林, 何宇, 李立基
2020, 38(6): 1284-1295. doi: 10.14027/j.issn.1000-0550.2019.108
摘要:
通过剖面实测、薄片鉴定、阴极发光分析和地球化学分析,对川东北地区下寒武统龙王庙组白云岩成因进行了研究。研究结果表明:研究区龙王庙组自下而上发育灰岩—过渡岩性—白云岩,以颗粒结构为主,白云石主要为泥—粉晶,呈它形—半自形晶,阴极发光呈昏暗光—暗红光。样品的MgO与CaO呈负相关,白云岩Mg2+/Ca2+较低,高Na含量,低Sr、Fe、Mn含量,白云石有序度较低,各岩性稀土元素配分曲线平行一致分布,δCe无异常,δEu负异常,灰岩δ13C偏正、δ18O处于同期海水内,白云岩δ13C、δ18O偏正,87Sr/86Sr高于同期海水值。结合区域地质背景、岩石学特征和地球化学分析结果,研究区白云石化流体为高盐度蒸发海水,研究区白云岩为渗透回流白云石化作用形成。
西沙群岛晚第四纪碳酸盐岩淡水成岩作用—来自永兴岛SSZK1钻孔的地球化学响应证据
陈万利, 吴时国, 黄晓霞, 刘刚, 韩孝辉
2020, 38(6): 1296-1312. doi: 10.14027/j.issn.1000-0550.2020.006
摘要:
基于西沙永兴岛上最新钻孔(SSZK1)取得的55.92 m岩芯的 U⁃Th定年、矿物、薄片、主微量元素及碳氧稳定同位素等资料,开展了西沙群岛晚第四纪碳酸盐岩沉积相和淡水成岩作用的研究。根据不同的矿物组成特征,可将SSZK1钻孔岩芯分为上、中、下三段: 下 段(33.89~55.92 m,主要为低镁方解石)、中 段(18.39~33.89 m,主要为文石和低镁方解石)、上段(0~18.39 m,主要为文石、高镁方解石和低镁方解石)。由于下段碳酸盐岩几乎全为稳定的低镁方解石组成,碳氧同位素值的严重负偏和小幅度变化,可推断其经历了程度较大的淡水成岩作用。中段和上段还存在不稳定的文石和高镁方解石,碳氧同位素值相对下段正偏和高幅高频变化,推测其淡水成岩作用的程度比下段要小。中段碳氧同位素值高幅高频变化同时也说明该段的矿物纵向变化较复杂。这种矿物组成的复杂变化可能是由于晚第四纪海平面频繁变化,该段被大气水渗流带和潜流带交替占据引起的。主微量元素的变化同时受到淡水成岩作用和沉积环境的影响。在中段、下段中可识别出sq1、sq2、sq3、sq4四个完整的相旋回。Na2O,S,Sr 和碳氧同位素受到的淡水成岩作用而被消耗和负偏,且由于老一期的旋回经历了更长时间的淡水成岩作用,新、老旋回间的 Na2O,S,Sr含量值和碳氧同位素值有明显差异。利用新、老时期形成的旋回间淡水成岩作用剩余Na2O,S,Sr含量和碳氧同位素值的差别可以将新、老两个旋回区分开来。
文昌B凹陷北坡珠海组潮汐沉积特征及演化
邓孝亮, 张迎朝, 陆江, 甘军, 詹冶萍, 刘凯
2020, 38(6): 1313-1326. doi: 10.14027/j.issn.1000-0550.2020.007
摘要:
文昌凹陷珠海组是重要的含油层系,但目前缺乏对文昌B凹陷北坡珠海组沉积特征的系统性研究,制约了该地区进一步勘探。以钻测井、岩芯、分析化验以及地震等资料为基础,对文昌B凹陷北坡珠海组进行层序地层划分、地震相识别、沉积特征及其演化分析。综合研究表明,珠海组发育三个三级层序;研究区广泛发育潮汐复合层理、双向水流的羽状交错层理以及强烈的生物扰动和虫孔等构造,为典型潮坪的潮间带和潮下带沉积;在三个地震层序中识别出7种典型地震相并建立地震相与沉积相响应关系,以对沉积相展布进行研究;早渐新世末,海水开始侵入盆地,由于神狐隆起的障蔽作用,其沉积主要受潮汐作用控制,伴随海侵的进行,沉积了珠海组厚层的潮坪沉积,此后海侵进一步加剧,障壁逐渐消失,波浪作用增强,逐渐过渡到新近系正常滨浅海沉积;各层序高位体系域的潮下带和潮间带砂坪沉积与其上泥坪沉积和海侵浅海泥沉积组成良好的储盖组合,其中潮汐水道和水下沙坝楔形沉积体为砂体较厚、分选好的优质储层,也是下一步勘探的有利目标。
惠州凹陷东部珠海组储层碱性成岩作用及孔隙演化
曹天宇, 钟大康, 牛胜利, 孙海涛, 曹轩, 王菲
2020, 38(6): 1327-1337. doi: 10.14027/j.issn.1000-0550.2020.011
摘要:
根据铸体薄片、扫描电镜、粒度分析、X衍射等资料,对惠州凹陷东部珠海组储层的岩石学特征、成岩作用和孔隙演化过程进行分析研究。研究认为,惠州凹陷东部珠海组储层的岩石类型以岩屑砂岩、长石质岩屑砂岩、岩屑质石英砂岩和岩屑质长石砂岩为主,结构成熟度与成分成熟度较低。砂岩埋藏过程中经历了明显的碱性成岩作用:石英的溶蚀与交代、碳酸盐矿物胶结、伊利石和绿泥石的沉淀以及钠长石化等。碱性成岩作用对孔隙的影响包括:石英溶蚀形成次生溶孔、碳酸盐胶结物沉淀损失粒间孔隙、黏土矿物沉淀形成晶间微孔。研究区珠海组主要发育粒内溶孔和粒间溶孔,原生孔隙较少。储层现今处于中成岩阶段A期,早期经历了强烈的压实作用,使其孔隙度由原始孔隙度32.1%降低至8.8%。早成岩阶段为碱性成岩环境,石英溶蚀增孔约0.5%;碳酸盐、硫酸盐、伊利石等胶结物沉淀减孔约2.3%。中成岩阶段A期为酸性成岩环境,硅质、高岭石等胶结物沉淀减孔约1.2%;长石、岩屑等溶蚀增孔约4.3%。最终,储层演化至现今孔隙度10.1%。
成岩作用对储层致密化的影响差异及定量表述—以苏里格气田苏77区块致密砂岩为例
宫雪, 胡新友, 李文厚, 沈武显
2020, 38(6): 1338-1348. doi: 10.14027/j.issn.1000-0550.2019.122
摘要:
苏里格气田苏77区块二叠系下统山西组二段发育自北向南的曲流河,各气层组沉积特征比较一致。但是山西组二段2122亚段气层组比23亚段气层组储层经历了更强的压实、胶结作用,残余粒间孔所剩无几,加之后期扩容性成岩作用程度不够,次生孔隙发育有限,使得2122气层组成为平均孔隙度不足7%,平均渗透率小于0.3×10-3 μm2的致密储层,与平均孔隙度为7.7%、平均渗透率为1.74×10-3 μm223气层组相比储层渗流能力较差。为了衡量成岩作用程度的强弱,利用视压实率、视胶结率和视溶蚀率的方法来定量分析孔隙度的变化。综合分析认为,研究区2122气层组储层处于中等压实、较强胶结和强溶蚀水平,与23气层组相比这两个气层组压实、胶结作用丧失的孔隙度远远大于溶蚀、破裂增加的孔隙度,其现今孔隙度只保留到5.48%,成为储集性能较差的致密储层。